圓形張力傳感器,當物體受到外力拉伸或壓縮時,其內部電阻應變片會隨之產生形變,導致電阻值發生變化。這種電阻值的變化與受到的張力成正比,傳感器通過測量電阻變化,將張力轉換為可讀的電氣信號輸出。
1、張力傳感器的原理與用途:
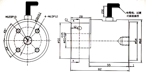
應用原理:電阻應變式原理,高精度,標準航空插頭
安裝簡單:單邊懸臂式輥筒安裝
應用行業:
紡織,造紙,涂布,適用于各種卷材(如紙張,薄膜,標簽,布匹,膠帶,保鮮膜,電池極片等張力在生產過程中的張力測量
2、為什么要用張緊力傳感器?
材料在放卷和收卷過程中,材料的卷徑會不斷的變化,加上設備運轉的同步性不一致,會導致卷材張力過緊或松弛,則會出現卷材厚度不均、松弛、褶皺等問題,使用張力傳感器配合顯示控制器后即可實現自動控制張力大小,排除質量隱患。
3、規格參數:
量 程Capacity | 0~50/100/200N | 零點平衡Zero balance | ±0.1mV/V |
額定輸出Rated output | 1.0 ±0.1 mV/V | 蠕 變creep | 0.05%R.O./30min |
非 線 性Non-linearity | 0.05% R.O. | 零點溫漂Temp.effect on zero | 0.05%R.O./10℃ |
滯 后Hysteresis | 0.05% R.O. | 靈敏度溫漂Temp.effect on output | 0.05%R.O./10℃ |
重 復 性Repeatability | 0.05 % R.O. | 輸入阻抗Input impedance | 350 ± 15Ω |
工作溫度范圍.temp range | - 20 ~ 80oC | 輸出阻抗Out impedance | 350 ± 5Ω |
溫度補償范圍Compensated temp range | -10℃~60℃ | 絕緣阻抗Insulation | ≥2000MΩ |
推薦激勵電壓Recommended excitation | 5~12V DC | 安全載荷Safe overload | 150% R.C. |
材料 Material | 鋁合金Aluminium alloy | 最大負載Ultimate overload | 200% R.C. |
導 線Cable | 4芯屏蔽電纜 3m | 防護等級Protection class | IP65 |







